
输入电源:DC 24V ~ 72V
最大输出电流(峰值):6.5A
绝对值步进电机及驱动器,无需回原点,采用韦根原理,不含电池,即使长时间不运转或编码器线被拔出,仍可记忆位置
编码器采用 BISS-C 通讯
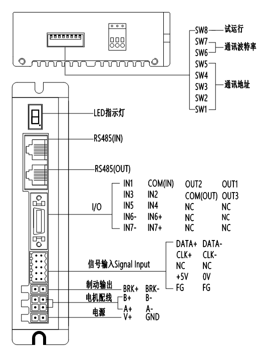
RJ45 接口用于菊花链联网,最多可连接32 个节点,使用 Modbus RTU 协议 RS485 通信
适配电机 | 17 位单圈/16 位多圈绝对值步进电机 |
输出电流 | 0.4A ~ 6.5A/相 |
输入信号 | 7 路数字输入信号:脉冲输入信号、方向输入信号、5 路通用输入信号 |
输出信号 | 3 路数字输出信号:3 路通用输出信号 |
通讯 | RS485 |
控制方法 | 位置控制模式 |
尺寸 | 156 × 97 × 33.5 mm |
重量 | 381 g |
运行温度 | 0°C ~ +40°C |
存储温度 | -10°C ~ +70°C |


QQ: 2017047289
手机:+86 138 1836 3872
电话: +86 21 65372097
邮箱: contact@step.sh.cn
地址:中国上海市虹口区汶水东路888号2号楼2楼